
产品名称:SD943H电动伸缩蝶阀
产品标签:蝶阀,电动伸缩蝶阀
更新时间:2019/6/1 15:07:04
上一个产品: ZDRWG电动调理蝶阀
下一个产品:SD643H气动伸缩蝶阀
在线客服:
在线订购:在线订购
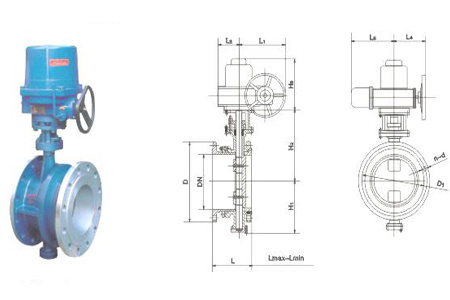
产品详情
公称通径 |
DN(mm) |
50~2000 |
||
公称压力 |
PN(MPa) |
0.6 |
1.0 |
1.6 |
试验压力 |
强度试验 |
0.9 |
1.5 |
2.4 |
密封试验 |
0.66 |
1.1 |
1.76 |
|
气密封试验 |
0.6 |
0.6 |
0.6 |
|
适用温度 |
≤80℃ |
|||
适用介质 |
空气、水、蒸气、煤气、油品等。。。。。 |
|||
驱动形式 |
手动、蜗杆蜗轮传动、气传动、电传动。。。。。 |
|||
零件名称 |
质料 |
阀体 |
铸铁、铸钢、不锈钢、铬钼钢、合金钢 |
蝶板 |
铸钢、合金钢、不锈钢、铬钼钢 |
密封圈 |
橡胶、聚四氟、聚内脂、不锈钢 |
阀杆 |
2Cr13、不锈钢、铬钼钢 |
伸缩管 |
铸铁、铸钢、不锈钢、铬钼钢 |
填料 |
柔性石墨 |
公称 |
形状尺寸(参考值) |
法兰尺寸和螺栓孔尺寸(标准值) |
|||||||||||||||||
H |
H1 |
设计最 |
设计最 |
设计 |
A |
B |
0.6MPa |
1.0MPa |
1.6MPa |
||||||||||
毫米 |
D |
D1 |
D2 |
n-d |
D |
D1 |
D2 |
n-d |
D |
D1 |
D2 |
n-d |
|||||||
50 |
80 |
309 |
186 |
156 |
171 |
180 |
200 |
140 |
110 |
88 |
4-14 |
165 |
125 |
99 |
4-18 |
165 |
125 |
99 |
4-18 |
65 |
95 |
337 |
190 |
160 |
175 |
180 |
200 |
160 |
130 |
108 |
4-14 |
185 |
145 |
118 |
4-18 |
185 |
145 |
118 |
4-18 |
80 |
98 |
347 |
198 |
166 |
182 |
180 |
200 |
190 |
150 |
124 |
4-18 |
200 |
160 |
132 |
8-18 |
200 |
160 |
132 |
8-18 |
100 |
114 |
373 |
228 |
188 |
208 |
180 |
200 |
210 |
170 |
144 |
4-18 |
220 |
180 |
156 |
8-18 |
220 |
180 |
156 |
8-18 |
125 |
128 |
405 |
240 |
201 |
220 |
180 |
200 |
240 |
200 |
174 |
8-18 |
250 |
210 |
184 |
8-18 |
250 |
210 |
184 |
8-18 |
150 |
139 |
440 |
246 |
206 |
226 |
270 |
280 |
265 |
225 |
199 |
8-18 |
285 |
240 |
211 |
8-22 |
285 |
240 |
211 |
8-22 |
200 |
174 |
612 |
265 |
219 |
242 |
400 |
425 |
320 |
280 |
254 |
8-18 |
340 |
295 |
266 |
8-22 |
340 |
295 |
266 |
12-22 |
250 |
215 |
693 |
295 |
240 |
267 |
400 |
425 |
375 |
335 |
309 |
12-18 |
395 |
350 |
319 |
12-22 |
405 |
355 |
319 |
12-26 |
300 |
245 |
747 |
308 |
254 |
282 |
450 |
560 |
440 |
395 |
363 |
12-22 |
445 |
400 |
370 |
12-22 |
460 |
410 |
370 |
12-26 |
350 |
270 |
802 |
327 |
272 |
300 |
450 |
560 |
490 |
445 |
413 |
12-22 |
505 |
460 |
429 |
16-22 |
520 |
470 |
429 |
16-26 |
400 |
305 |
991 |
368 |
308 |
338 |
535 |
580 |
540 |
495 |
463 |
16-22 |
565 |
515 |
480 |
16-26 |
580 |
525 |
480 |
16-30 |
450 |
325 |
1037 |
370 |
310 |
340 |
535 |
580 |
595 |
550 |
518 |
16-22 |
615 |
565 |
530 |
20-26 |
640 |
585 |
548 |
20-30 |
500 |
360 |
1127 |
392 |
332 |
362 |
535 |
580 |
645 |
600 |
568 |
20-22 |
670 |
620 |
582 |
20-26 |
715 |
650 |
609 |
20-33 |
600 |
445 |
1377 |
441 |
375 |
408 |
570 |
660 |
755 |
705 |
667 |
20-26 |
780 |
725 |
682 |
20-30 |
840 |
770 |
720 |
20-36 |
700 |
505 |
1496 |
460 |
400 |
430 |
750 |
550 |
860 |
810 |
772 |
24-26 |
895 |
840 |
794 |
24-30 |
910 |
840 |
794 |
24-36 |
800 |
560 |
1584 |
499 |
445 |
475 |
750 |
550 |
975 |
920 |
878 |
24-30 |
1015 |
950 |
901 |
24-33 |
1025 |
950 |
901 |
24-39 |
900 |
630 |
1676 |
520 |
460 |
490 |
750 |
550 |
1075 |
1020 |
978 |
24-30 |
1115 |
1050 |
1001 |
28-33 |
1125 |
1050 |
1001 |
28-39 |
1000 |
680 |
1760 |
600 |
530 |
565 |
900 |
750 |
1175 |
1120 |
1078 |
28-30 |
1230 |
1160 |
1112 |
28-36 |
1255 |
1170 |
1112 |
28-42 |
1200 |
795 |
2018 |
675 |
571 |
623 |
1000 |
925 |
1405 |
1340 |
1295 |
32-33 |
1455 |
1380 |
1328 |
32-39 |
1485 |
1390 |
1328 |
32-48 |
1400 |
900 |
2363 |
760 |
683 |
722 |
1000 |
925 |
1630 |
1560 |
1510 |
36-36 |
1675 |
1590 |
1530 |
36-42 |
1685 |
1590 |
1530 |
36-48 |
1600 |
1100 |
2723 |
860 |
770 |
815 |
1000 |
925 |
1830 |
1760 |
1710 |
40-36 |
1915 |
1820 |
1750 |
40-48 |
1930 |
1820 |
1750 |
40-56 |
1800 |
1124 |
2844 |
930 |
830 |
880 |
1100 |
980 |
2045 |
1970 |
1718 |
44-39 |
2115 |
2020 |
1950 |
44-48 |
2130 |
2020 |
1950 |
44-56 |
2000 |
1292 |
3127 |
1020 |
920 |
970 |
1100 |
980 |
2265 |
2180 |
2125 |
48-42 |
2325 |
2230 |
2150 |
48-48 |
2345 |
2230 |
2150 |
48-62 |
![]() |





