
产品名称:Q11F三片式高平台球阀
产品标签:球阀,三片式高平台球阀
更新时间:2019/6/3 8:29:57
上一个产品: Q11F两片式高平台球阀
下一个产品:Q11F手动螺纹球阀
在线客服:
在线订购:在线订购
产品详情
Q11F三片式高平台球阀产品概述:
Q11F手动内螺纹球阀(一片式球阀、二片式球阀、三片式球阀)阀体铸造接纳台湾引进的先进工艺,,,,,,,结构合理、造型雅观。。。。。。手动内螺纹球阀座接纳弹性密封结构,,,,,,,密封可靠,,,,,,,启闭轻松。。。。。。 阀杆接纳有倒密封的下装式结构,,,,,,,阀腔异常升压时,,,,,,,阀杆不会被冲出。。。。。。二片式球阀、三片式球阀毗连形式尚有对焊(BW)承插焊(SW),并均可带国际标准ISO支架平台和锁定装置。。。。。。内螺纹球阀可设置90°开关定位机构,,,,,,,凭证需要加锁以避免误操作,,,,,,,驱动方法:手动、电动、气动。。。。。。
手动内螺纹球阀主要用途如下
手动内螺纹球阀(一片式球阀、二片式球阀、三片式球阀)适用于PN1.0~4.0MPa,,,,,,,事情温度-29~180℃(密封圈为增强聚四氟乙烯)或-29~300℃(密封圈为对位聚苯)的种种管路上,,,,,,,用于截断或接通管路中的介质。。。。。。 选用差别的材质,,,,,,,可划分适用于水、蒸汽、油品、硝酸、醋酸等多种介质。。。。。。
1、毗连形式:内螺纹
2、公称通径:1/2”~4”。。。。。。
3、适用介质:水,油,蒸汽,碳酸,硝酸。。。。。。
4、压力规模:1000WOG。。。。。。
5、启闭力N:400~500。。。。。。
6、适用温度:-40~200(°C)
7、主体质料:不锈钢304/316。。。。。。
8、设计生产接纳标准:JB、ISO、API、GB、BS等标准设计生产, 其清静性和质量性都经由严酷处置惩罚发放海内外市场。。。。。。
Q11F三片式高平台球阀制造标准遵照
1、《通用阀门法兰和对焊毗连钢制球阀》GB/T12237-89
2、《铁制和铜制球阀》GB/T 15185-1994
3、《钢制阀门 一样平常要求》GB/T 12224-2005
4、《生涯饮用水输配水装备及防护质料的清静性评价标准》 GB/T 17219-1998
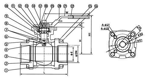
Q11F三片式高平台球阀零件质料
|
序号NO |
零件名称 |
材质 |
|
1 |
密封圈 |
聚四氟乙烯PTFE |
|
2 |
球体 |
不锈钢SS316 |
|
3 |
密封垫 |
聚四氟乙烯PTFE |
|
4 |
阀盖 |
不锈钢SS316 |
|
5 |
阀体 |
不锈钢CF8M |
|
6 |
阀杆 |
不锈钢SS316 |
|
7 |
止推垫圈 |
聚四氟乙烯PTFE |
|
8 |
填料 |
聚四氟乙烯PTFE |
|
9 |
填料压盖螺母 |
不锈钢SS304 |
|
10 |
垫圈 |
不锈钢SS304 |
|
11 |
阀杆螺母 |
不锈钢SS304 |
|
12 |
手柄套 |
塑料 |
|
13 |
手柄 |
不锈钢SS304 |
Q11F三片式高平台球阀毗连尺寸
|
SIZE |
1/4" |
3/8" |
1/2" |
3/4" |
1" |
11/4" |
11/2" |
2" |
21/2" |
3" |
4" |
|
D |
11.6 |
12.7 |
15 |
20 |
25 |
32 |
38 |
50 |
65 |
80 |
100 |
|
L |
68 |
68 |
72 |
85 |
90 |
112 |
120 |
145 |
185 |
210 |
268 |
|
H |
100 |
100 |
130 |
130 |
165 |
165 |
190 |
190 |
250 |
250 |
280 |
|
E |
100 |
100 |
130 |
130 |
165 |
165 |
190 |
190 |
250 |
250 |
280 |
|
重量WT(g) |
400 |
405 |
640 |
890 |
1160 |
2195 |
2940 |
4865 |
7000 |
10700 |
19350 |
注:以上的产品先容,,,,,,,参数,,,,,,,图片,,,,,,,数据仅用于参考,,,,,,,若是需更准确的资料请咨询公司手艺效劳热线:18117208829




