
产品名称:Q41N锻钢法兰球阀
产品标签:球阀,锻钢法兰球阀
更新时间:2019/6/10 10:51:09
上一个产品: Q41F德标球阀
下一个产品:Q44/Q45硬密封三通球阀
在线客服:
在线订购:在线订购
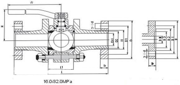
产品详情
零件名称 |
阀体 |
法兰 |
阀座阀杆、球 |
密封圈 |
双头螺栓 |
O形圈 |
质料 |
45 |
35 |
2Crl3 |
尼龙 1010 |
35CrMO |
丁晴橡胶 |
型号 |
Q41N-160 |
Q41N-320 |
|
公称压力 PN(MPa) |
16 |
32 |
|
试验压力 |
壳体 |
24 |
48.O |
(Mpa) |
密封(液) |
17.6 |
35.2 |
|
密封(气) |
0.6 |
|
适用温度 |
-40~80 |
||
适用介质 |
水、油品、氦、氢、氨等 |
||
型号 |
公称通径 DN(mm) |
L |
L1 |
D |
D1 |
M |
D2 |
Z-φd |
b |
H |
LO |
重量 |
Q41N-160 |
|
210 |
52 |
95 |
60 |
M24×2 |
18 |
3-18 |
20 |
77 |
220 |
5 |
15 |
230 |
62 |
95 |
60 |
M24×2 |
20 |
3-18 |
20 |
85 |
220 |
6 |
|
20 |
240 |
73 |
105 |
68 |
M33×2 |
28 |
3-18 |
20 |
94 |
250 |
8 |
|
25 |
260 |
77 |
105 |
68 |
M33×2 |
28 |
3-18 |
22 |
100 |
250 |
10 |
|
32 |
300 |
100 |
115 |
80 |
M42×2 |
38 |
4-18 |
24 |
120 |
300 |
19 |
|
40 |
350 |
110 |
165 |
115 |
M52×2 |
48 |
6-26 |
30 |
150 |
400 |
26 |
|
50 |
400 |
130 |
165 |
115 |
M64×3 |
58 |
6-26 |
32 |
165 |
400 |
39 |
|
65 |
490 |
140 |
200 |
145 |
M80×3 |
74 |
6-29 |
40 |
180 |
500 |
53 |
|
80 |
580 |
150 |
225 |
170 |
M100×3 |
94 |
6-33 |
50 |
200 |
600 |
76 |
|
100 |
620 |
178 |
260 |
195 |
M125×4 |
115 |
6-36 |
60 |
245 |
800 |
130 |
|
Q41N-320 |
10 |
210 |
52 |
95 |
60 |
M24×2 |
18 |
3-18 |
20 |
77 |
220 |
5 |
150 |
230 |
62 |
105 |
68 |
M33×2 |
28 |
3-18 |
20 |
85 |
220 |
6.5 |
|
20 |
240 |
73 |
105 |
68 |
M33×2 |
28 |
3-18 |
20 |
94 |
250 |
8 |
|
25 |
260 |
77 |
115 |
80 |
M42×2 |
35 |
4-18 |
25 |
100 |
250 |
11 |
|
32 |
300 |
100 |
135 |
95 |
M48×2 |
41 |
4-22 |
30 |
120 |
300 |
21 |
|
40 |
350 |
110 |
165 |
115 |
M64×2 |
47 |
6-26 |
35 |
150 |
400 |
28 |
|
50 |
400 |
130 |
200 |
145 |
M80×3 |
70 |
6-29 |
40 |
165 |
450 |
41 |
|
65 |
490 |
140 |
225 |
170 |
M100×3 |
90 |
6-33 |
50 |
180 |
500 |
56 |
|
80 |
580 |
150 |
260 |
195 |
M125×4 |
112 |
6-36 |
55 |
200 |
600 |
79 |
|
100 |
620 |
178 |
300 |
235 |
M155×4 |
135 |
8-36 |
65 |
245 |
800 |
134 |
![]() |





