BC´û

  µç»°£º+86 021-69783299    ´«Õ棺+86 021-33275139    ÓÊÏ䣺ludahua27@163.com

Ä¿½ñµÄλÖ㺷§ÃÅ > ²úÆ·ÖÐÐÄ > µû·§

D71XÊÖ±ú¶Ô¼ÐʽÍÑÁòµû·§

²úÆ·Ãû³Æ£ºD71XÊÖ±ú¶Ô¼ÐʽÍÑÁòµû·§

²úÆ·±êÇ©£ºµû·§£¬£¬£¬£¬£¬ÊÖ±ú¶Ô¼ÐʽÍÑÁòµû·§

¸üÐÂʱ¼ä£º2019/5/26 15:32:15

ÉÏÒ»¸ö²úÆ·£ºÃ»ÓÐ×ÊÁÏ

ÏÂÒ»¸ö²úÆ·£ºD71XÈ«²»Ðâ¸Öµû·§

ÔÚÏ߿ͷþ£ºµã»÷ÕâÀï¸øÎÒ·¢ÐÂÎÅ µã»÷ÕâÀï¸øÎÒ·¢ÐÂÎÅ

ÔÚÏß¶©¹º£ºÔÚÏß¶©¹º



²úÆ·ÏêÇé

D71XÊÖ±ú¶Ô¼ÐʽÍÑÁòµû·§²úÆ·¸ÅÊö£º
    ´óÆøÎÛȾÖУ¬£¬£¬£¬£¬¶þÑõ»¯ÁòÊÇÖ÷ÒªÎÛȾÎ£¬£¬£¬£¬¶ø¶þÑõ»¯ÁòÎÛȾÎï60%ÒÔÉÏȪԴÓÚ¹¤ÒµÑÌÆøµÄÅÅ·Å¡£¡£¡£¡£¡£ ¡£Ëæ×ÅÎÒ¹úÇéÐαê×¼µÄÖð²½ÍêÉÆºÍÌá¸ß£¬£¬£¬£¬£¬ÒÔ¼°¹úÃñ¶ÔÇéÐÎÒâʶµÄÌá¸ß£¬£¬£¬£¬£¬ÎÒ¹úÒÔºó¶ÔÓй¤ÒµÑÌÆøÅŷŵŤ³Ì±ØÐè¾ÙÐÐÍÑÁò´¦Öóͷ£¡£¡£¡£¡£¡£ ¡£ÑÌÆøÍÑÁò×°ÖÃÖеÄÖ÷Òª²¿¼þÖ®Ò»¾ÍÊÇ·§ÃÅ£¬£¬£¬£¬£¬¹ØÓÚÍÑÁò·§ÃŵÄÒªÇóÊǼÈÄÜÄÍÂÈ»¯Îï¡¢Ñõ»¯Îï¡¢Ëᣬ£¬£¬£¬£¬ÓÖÄÜÄÍ¿Á¿ÌµÄÄ¥Á£Ä¥ËðºÍÄཬµÄÄ¥ËðÇÖÊ´¡£¡£¡£¡£¡£ ¡£×¼È·µÄÑ¡Ôñ·§ÃÅÖÊÁϺͽṹÐÎʽ£¬£¬£¬£¬£¬ÑÓÉì·§ÃŵÄʹÓÃÊÙÃüÊÇÑÌÆøÍÑÁòµû·§µÄÒªº¦¡£¡£¡£¡£¡£ ¡£

D71XÊÖ±ú¶Ô¼ÐʽÍÑÁòµû·§Ó¦ÓùæÄ££º
    D71XÊÖ±ú¶Ô¼ÐʽÍÑÁòµû·§¿ÉÆÕ±éÓÃÓÚË®µç¡¢ÎÛË®¡¢ÐÞ½¨¡¢¿Õµ÷¡¢Ê¯ÓÍ¡¢»¯¹¤¡¢Ê³Îï¡¢Ò½Ò©¡¢Çá·Ä¡¢ÔìÖ½¡¢¸øÅÅË®µÈÁ÷Ìå¹ÜÏßÉÏ×÷Ϊµ÷ÀíºÍ½ØÁ÷ʹÓ㬣¬£¬£¬£¬²¢¿É¼®ÓɲÄÖʵĸü¸Ä£¬£¬£¬£¬£¬ÒÔÊÊÓÃÓÚË®¡¢Æø¡¢Ó͵Ȳî±ð½éÖÊ£¬£¬£¬£¬£¬ÊÊÓÃζÈ-20¡«80¡æ¡£¡£¡£¡£¡£ ¡£Í¨¹ýÌæ»»·§°åÃÜ·âȦ¡¢OÐÍȦ¡¢µû°å¡¢×ªÖáµÈ²ÄÖÊ£¬£¬£¬£¬£¬¿ÉÊÊÓöàÖÖ½éÖʺͲî±ðζÈ¡£¡£¡£¡£¡£ ¡£·§ÃÅ×Ô¶¯¿ØÖÆ×°±¸ÓÐ¸ßÆ·Öʵ綯ִÐлú¹¹»òË«×÷ÓÃÆø¶¯Ö´ÐÐÆ÷£¬£¬£¬£¬£¬¿ÉÒÔʵÏÖ×Ô¶¯ÓëÊÖ¶¯Ë«ÖØÆô±Õ¹¦Ð§¡£¡£¡£¡£¡£ ¡£

D71XÊÖ±ú¶Ô¼ÐʽÍÑÁòµû·§½á¹¹Ìص㣺
    ·§ÃÅÇòÄ«ÖýÌú¿ÇÌåÄÚÍâÍâò¿É½ÓÄɸßξ²µçÅçÍ¿»·ÑõÊ÷Ö¬·ÛĩͿ²ã£¬£¬£¬£¬£¬Í¿²ã¾ßÓнϸߵÄÄÍÇÖÊ´ÐÔÄÜ£¬£¬£¬£¬£¬ÓëÇòÄ«ÖýÌú»ùÌå¾ßÓм«¸ßµÄÁ¬ÏµÇ¿¶È£¬£¬£¬£¬£¬Í¿²ã¶ÈΪ0.2¡ª0.5mm¡£¡£¡£¡£¡£ ¡£
    1. ½ÓÄÉÖÐÏßÐͽṹÎÞÆ«ÐÄÉè¼Æ£¬£¬£¬£¬£¬¾ßÓÐÏÔÖøµÄ²Ù×÷Ť¾ØµÍµÄÌØÕ÷£¬£¬£¬£¬£¬ÉèÖõ綯װÖÃʱµÄ¾­¼ÃÐÔÏÔÖø£»£»£» £» £» £»
    2. Éè¼ÆºÏÀí£¬£¬£¬£¬£¬½á¹¹½ô´Õ£¬£¬£¬£¬£¬×°Öòðж¼òÆÓ£¬£¬£¬£¬£¬±ãÓÚάÐÞ£»£»£» £» £» £»
    3. ½ÓÄɳĽº½á¹¹£¬£¬£¬£¬£¬µû°åÔ²ÖÜÐÎÃÜ·âÃæÏ¸Ãܼӹ¤ÖÁ½Ï¸ßµÄ¹â½à¶È£¬£¬£¬£¬£¬¶ÔÏ𽺷§×ùµÄĦ²ÁϵÊý¼«µÍ£¬£¬£¬£¬£¬·§ÃÅʹÓÃÊÙÃü½Ï³¤£»£»£» £» £» £»
    4. ·§°åÃÜ·âÃæÁ÷Ì¬ÌØÕ÷³ÊÏßÐÔ״̬£¬£¬£¬£¬£¬¾ßÓнÏСµÄÁ÷×èϵÊý£¬£¬£¬£¬£¬·§ÃÅÁ÷×èС£¡£¡£¡£¡£ ¡£»£»£» £» £» £»
    5. ÆæÒìÉè¼ÆµÄģѹÏ𽺷§×ù¾ßÓм«¼ÑµÄƽºâÐÔºÍÖ§³ÖÐÔ£¬£¬£¬£¬£¬ÓÐÓÃ×èÖ¹ÊÜÁ¦²»¾ùÔì³ÉµÄ¶ÔÏð½ºµÄÆÆË𣬣¬£¬£¬£¬·§ÃÅ´¦È«¹ØÎ»ÖÃʱ£¬£¬£¬£¬£¬Ï𽺴¦ÓÚzui¼ÑµÄѹËõ״̬ÒÔ¼á³ÖÁã×ß©£»£»£» £» £» £»
    6. ·§ÃÅÁ½Í·¿ÚÏð½ºÃÜ·âÃæÍ»³öÇòÄ«ÖýÌú·¨À¼Ã棬£¬£¬£¬£¬·§ÃÅÔڹܵÀ×°ÖÃʱÎÞÐèÌØÁíÍâÏð½ºÃÜ·âµæÆ¬
    7. µû·§µÄ²Ù×÷»ú¹¹Ñ¡ÓÃÎÞа£»£»£» £» £» £»
    8. µû·§Íâ¹ÛϸÄåÄÍÇÖÊ´ÐԺᣡ£¡£¡£¡£ ¡£

D71XÊÖ±ú¶Ô¼ÐʽÍÑÁòµû·§±ê×¼¹æ·¶£º
    Éè¼ÆÖÆÔì±ê×¼£ºGB/T 12238-2008 
    ½á¹¹³¤¶È±ê×¼£ºGB/T 12221-2005
    ÅþÁ¬·¨À¼±ê×¼£ºGB/T 9113
    ѹÁ¦ÎÂ¶ÈÆ·¼¶£ºGB/T 12224-2005
    ÊÔÑéÄ¥Á·±ê×¼£ºGB/T 13927-2008

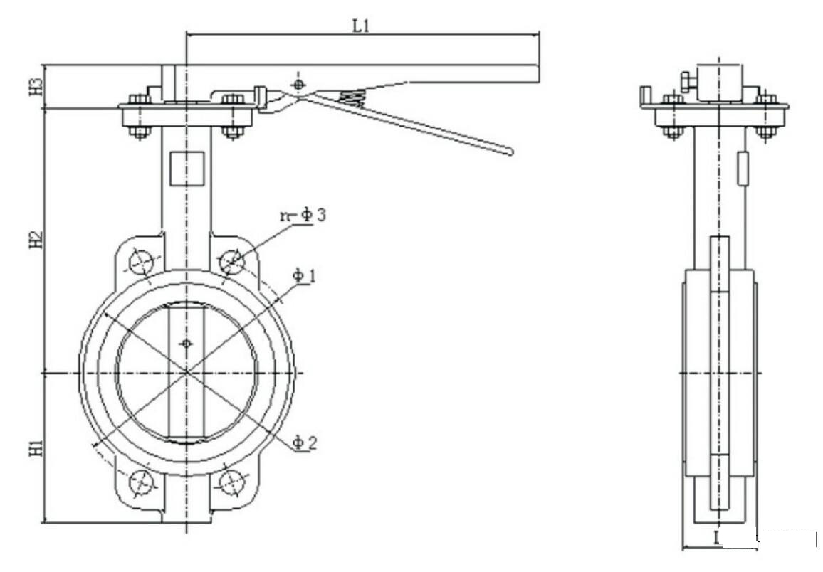
D71XÊÖ±ú¶Ô¼ÐʽÍÑÁòµû·§ÐÎ×´ÅþÁ¬³ß´ç£ºµ¥Î»£ºmm

DN

L

H

HO

A

B

0.6MPa

1.0MPa

1.6MPa

DO

n-d

DO

n-d

DO

n-d

50

43

63

235

270

110

110

4-14

125

4-18

125

4-18

65

46

70

250

270

110

130

4-14

145

4-18

145

4-18

80

46

83

275

270

110

150

4-18

160

8-18

160

8-18

100

52

105

316

270

110

170

4-18

180

8-18

180

8-18

125

56

115

340

310

110

200

8-18

210

8-18

210

8-18

150

56

137

376

310

110

225

8-18

240

8-22

240

8-22

200

60

164

430

353

150

280

8-18

295

8-22

295

8-22

250

68

206

499

353

150

335

12-18

350

12-22

355

12-26

300

78

230

570

380

150

395

12-22

400

12-22

410

12-26

 BC´û¡¤(ÖйúÓÎ)¹Ù·½ÍøÕ¾

×¢£ºÒÔÉϵIJúÆ·ÏÈÈÝ£¬£¬£¬£¬£¬²ÎÊý£¬£¬£¬£¬£¬Í¼Æ¬£¬£¬£¬£¬£¬Êý¾Ý½öÓÃÓڲο¼£¬£¬£¬£¬£¬ÈôÊÇÐè¸ü׼ȷµÄ×ÊÁÏÇë×Éѯ¹«Ë¾ÊÖÒÕЧÀÍÈÈÏߣº18117208829

 

All Rights Reserved °æÈ¨ËùÓÐ BC´û ©2010-2019 ZHIFA VALVE CO.,LTD. »¦ICP±¸16034977ºÅ-1 »¦¹«Íø°²±¸31011802001264ºÅ XMLsiteMap HTMLsiteMap

¡¾ÍøÕ¾µØÍ¼¡¿¡¾sitemap¡¿