
²úÆ·Ãû³Æ£ºD671X/FÆø¶¯¶Ô¼Ðʽµû·§
²úÆ·±êÇ©£ºµû·§,Æø¶¯¶Ô¼Ðʽµû·§
¸üÐÂʱ¼ä£º2019/5/28 9:39:02
ÉÏÒ»¸ö²úÆ·£º D73H¶Ô¼ÐʽӲÃÜ·âµû·§
ÏÂÒ»¸ö²úÆ·£ºD671X/F²»Ðâ¸ÖÆø¶¯µû·§
ÔÚÏ߿ͷþ£º
ÔÚÏß¶©¹º£ºÔÚÏß¶©¹º
²úÆ·ÏêÇé
¹«³ÆÍ¨¾¶ |
DN£¨mm£© |
50¡«800 |
||
¹«³ÆÑ¹Á¦ |
PN£¨MPa£© |
0.6 |
1.0 |
1.6 |
ÊÔÑéѹÁ¦ |
Ç¿¶ÈÊÔÑé |
0.9 |
1.5 |
2.4 |
ÃÜ·âÊÔÑé |
0.66 |
1.1 |
1.76 |
|
ÆøÃÜ·âÊÔÑé |
0.6 |
0.6 |
0.6 |
|
ÊÊÓýéÖÊ |
¿ÕÆø¡¢Ë®¡¢ÎÛË®¡¢ÕôÆø¡¢ÃºÆø¡¢ÓÍÆ·µÈ¡£¡£¡£¡£¡£¡£¡£¡£ |
|||
Çý¶¯ÐÎʽ |
ÊÖ¶¯¡¢ÎϸËÎÏÂÖ´«¶¯¡¢Æø´«¶¯¡¢µç´«¶¯¡£¡£¡£¡£¡£¡£¡£¡£ |
|||
Áã¼þÃû³Æ |
ÖÊÁÏ |
|||
·§Ìå |
ÇòÄ«ÖýÌú¡¢Öý¸Ö¡¢ºÏ½ð¸Ö¡¢²»Ðâ¸Ö |
|||
µû°å |
Öý¸Ö¡¢²»Ðâ¸Ö¼°ÌØÊâÖÊÁÏ |
|||
ÃÜ·âȦ |
ÖÖÖÖÏ𽺡¢¾ÛËÄ·ú |
|||
·§¸Ë |
2Cr13¡¢²»Ðâ¸Ö |
|||
ÌîÁÏ |
OÐÍȦ¡¢ÈáÐÔʯīO |
|||
ÃÜ·âÖÊÁÏÑ¡ÓúÍÊÊÓÃζÈ
ÖÊÁÏÆ·ÖÖ |
Âȶ¡Ï𽺠|
¶¡ÇçÏ𽺠|
ÒÒ±ûÏ𽺠|
¾ÛËÄ·úÒÒÏ© |
¹èÏ𽺠|
·úÏ𽺠|
×ÔÈ»Ï𽺠|
ÄáÁú |
Ó¢Óï¼ò³Æ |
CR |
NBR |
EPDM |
PTFE |
SI |
VITON |
NR |
PA |
ÐͺŴúºÅ |
X»òJ |
XA»òJA |
XB»òJB |
F»òXC¡¢JC |
XD»òJD |
XE»òJE |
X1 |
N |
ÄÍ×î¸ßÎÂ¶È |
82¡æ |
93¡æ |
150¡æ |
232¡æ |
250¡æ |
204¡æ |
85¡æ |
93¡æ |
ÄÍ×îµÍÎÂ¶È |
-40¡æ |
-40¡æ |
-40¡æ |
-268¡æ |
-70¡æ |
-23¡æ |
-20¡æ |
-73¡æ |
ÊÊÓÃÊÂÇéÎÂ¶È |
0~+80¡æ |
-20~+82¡æ |
-40~+125¡æ |
-30~+150¡æ |
-70~+150¡æ |
-23~+150¡æ |
-20~+85¡æ |
-30~+93¡æ |
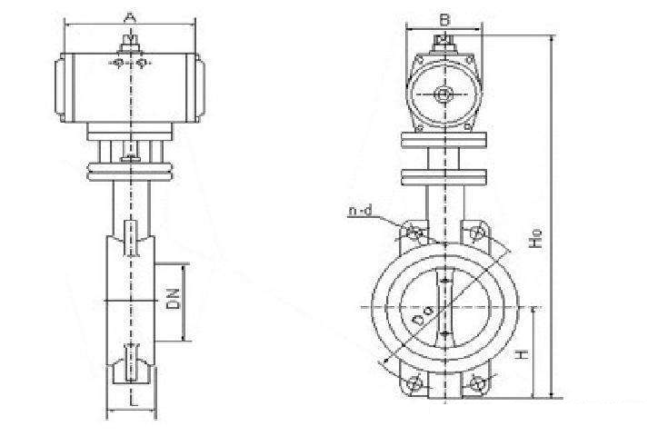
D671X/FÆø¶¯¶Ô¼Ðʽµû·§Ö÷ÒªÐÎ×´³ß´ç
¹«³ÆÍ¨¾¶ |
L |
D1 |
D |
z-¦Õd |
H |
H0 |
A |
B |
50 |
43 |
125 |
165 |
4-18 |
63 |
315 |
180 |
65 |
65 |
46 |
145 |
185 |
4-18 |
70 |
330 |
180 |
65 |
80 |
46 |
160 |
200 |
8-18 |
83 |
390 |
245 |
72 |
100 |
52 |
180 |
220 |
8-18 |
105 |
431 |
245 |
72 |
125 |
56 |
210 |
250 |
8-18 |
115 |
455 |
245 |
72 |
150 |
56 |
240 |
285 |
8-22 |
137 |
626 |
355 |
93 |
200 |
60 |
295 |
340 |
8-22 |
164 |
720 |
350 |
93 |
250 |
68 |
350 |
395 |
12-22 |
206 |
800 |
550 |
350 |
300 |
78 |
400 |
445 |
12-22 |
230 |
860 |
600 |
350 |
350 |
78 |
460 |
505 |
16-22 |
248 |
883 |
600 |
350 |
400 |
102 |
515 |
565 |
16-26 |
289 |
972 |
600 |
350 |
450 |
114 |
565 |
615 |
20-26 |
320 |
1043 |
750 |
380 |
500 |
127 |
620 |
670 |
20-26 |
343 |
1098 |
750 |
380 |
600 |
154 |
725 |
780 |
20-30 |
413 |
1236 |
750 |
380 |
700 |
165 |
840 |
895 |
24-30 |
478 |
1431 |
750 |
380 |
800 |
190 |
950 |
1015 |
24-33 |
525 |
1488 |
750 |
380 |

×¢£ºÒÔÉϵIJúÆ·ÏÈÈÝ£¬£¬£¬£¬£¬£¬²ÎÊý£¬£¬£¬£¬£¬£¬Í¼Æ¬£¬£¬£¬£¬£¬£¬Êý¾Ý½öÓÃÓڲο¼£¬£¬£¬£¬£¬£¬ÈôÊÇÐè¸ü׼ȷµÄ×ÊÁÏÇë×Éѯ¹«Ë¾ÊÖÒÕЧÀÍÈÈÏߣº18117208829




