
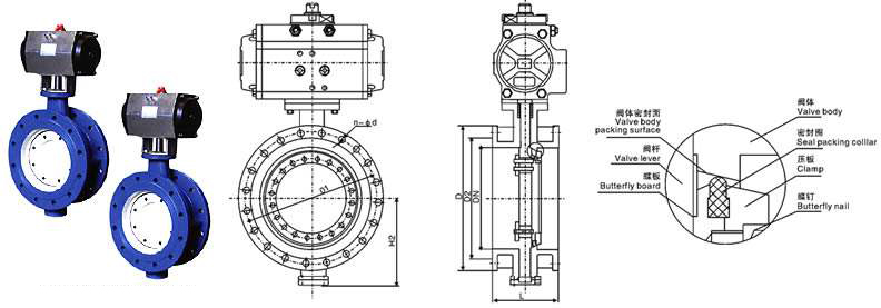
²úÆ·Ãû³Æ£ºD642XÆø¶¯ÈíÃÜ·âµû·§
²úÆ·±êÇ©£ºµû·§£¬£¬£¬£¬£¬£¬£¬Æø¶¯ÈíÃÜ·âµû·§
¸üÐÂʱ¼ä£º2019/5/28 10:05:12
ÉÏÒ»¸ö²úÆ·£º D671X/F²»Ðâ¸ÖÆø¶¯µû·§
ÏÂÒ»¸ö²úÆ·£ºD641XÆø¶¯·¨À¼Ê½ÈíÃÜ·âµû·§
ÔÚÏ߿ͷþ£º
ÔÚÏß¶©¹º£ºÔÚÏß¶©¹º
²úÆ·ÏêÇé
¹«³ÆÍ¨¾DN£¨mm) |
50¡«2000 |
50¡«1600 |
|
¹«³ÆÒ©ÀíPN£¨MPa) |
0.6 |
1.0 |
1.6 |
ÃÜ·âÊÔÑé(MPa) |
0.66 |
1.1 |
1.76 |
Ç¿¶ÈÊÔÑé(MPa) |
0.9 |
1.5 |
2.4 |
ÊÊÓÃÎÂ¶È |
¶¡ëæÏ𽺣º-40¡æ¡«90¡æ·úÏ𽺣º-20¡æ¡«200¡æ |
||
ÊÊÓýéÖÊ |
Ë®¡¢¿ÕÆø¡¢×ÔÈ»Æø¡¢ÓÍÆ·¼°ÈõÇÖÊ´ÐÔÁ÷Ìå |
||
×ß©ÂÊ |
ÇкÏGB/T13927-92±ê×¼ |
||
Çý¶¯·½·¨ |
ÎÏÂÖ´«¶¯¡¢µç¶¯¡¢Æø¶¯¡¢Òº¶¯ |
||
D642XÆø¶¯ÈíÃÜ·âµû·§Ö÷ÒªÁã¼þÖÊÁÏ
Áã¼þÃû³Æ |
ÖÊÁÏ |
·§Ìå |
WCB¡¢QT450-10¡¢HT200¡¢HT250 |
µû°å |
WCB¡¢QT450-10¡¢HT200¡¢HT250 |
·§Öá |
2Cr13 |
ÃÜ·âȦ |
¶¡ëæÄÍÓÍÏ𽺠|
ÌîÁÏ |
ÈáÐÔʯī |
D642XÆø¶¯ÈíÃÜ·âµû·§±ê×¼¹æ·¶
ÖÆÔì±ê×¼ |
GB/T 122387-89 |
·¨À¼±ê×¼ |
GB9113-2000¡¢GB17241.6-1998 |
½á¹¹³¤¶È±ê×¼ |
GB12221-89 |
Ä¥Á·±ê×¼ |
GB/T 13927-92 |
D642XÆø¶¯ÈíÃÜ·âµû·§Ö÷ÒªÐÎ×´³ß´ç
DN |
Ö÷ÒªÐÎ×´ÅþÁ¬³ß´ç |
·¨À¼³ß´çºÍÂÝ˨¿×³ß´ç |
|||||||||||||||
L |
H |
H1 |
A |
B |
0.6MPa |
1.0MPa |
1.6MPa |
||||||||||
D |
D1 |
D2 |
n-d |
D |
D1 |
D2 |
n-d |
D |
D1 |
D2 |
n-d |
||||||
50 |
108 |
82.5 |
338 |
180 |
65 |
140 |
110 |
88 |
4-14 |
185 |
125 |
99 |
4-18 |
165 |
125 |
99 |
4-18 |
65 |
112 |
92.5 |
358 |
180 |
65 |
160 |
130 |
108 |
4-14 |
185 |
145 |
118 |
4-18 |
185 |
145 |
118 |
4-18 |
80 |
114 |
100 |
413 |
245 |
72 |
190 |
150 |
124 |
4-18 |
200 |
160 |
132 |
8-18 |
200 |
160 |
132 |
8-18 |
100 |
127 |
110 |
428 |
240 |
72 |
210 |
170 |
144 |
4-18 |
220 |
180 |
156 |
8-18 |
220 |
180 |
156 |
8-18 |
125 |
140 |
125 |
444 |
240 |
72 |
240 |
20 |
174 |
8-18 |
250 |
210 |
184 |
8-18 |
250 |
210 |
184 |
8-18 |
150 |
140 |
142.5 |
553 |
350 |
93 |
265 |
225 |
199 |
8-18 |
285 |
240 |
211 |
8-22 |
285 |
240 |
211 |
8-22 |
200 |
152 |
170 |
678 |
350 |
93 |
320 |
280 |
254 |
8-18 |
340 |
295 |
266 |
8-22 |
340 |
295 |
266 |
12-22 |
250 |
165 |
192.5 |
742 |
550 |
350 |
375 |
335 |
309 |
12-18 |
395 |
350 |
319 |
12-22 |
405 |
355 |
319 |
12-26 |
300 |
178 |
222.5 |
803 |
600 |
350 |
440 |
395 |
363 |
12-22 |
445 |
400 |
370 |
12-22 |
460 |
410 |
370 |
12-26 |
350 |
190 |
252.5 |
866 |
600 |
350 |
490 |
445 |
413 |
12-22 |
505 |
460 |
429 |
16-22 |
520 |
470 |
429 |
16-26 |
400 |
216 |
282.5 |
940 |
600 |
350 |
540 |
495 |
463 |
16-22 |
565 |
515 |
480 |
16-26 |
580 |
525 |
480 |
16-30 |
450 |
222 |
307.5 |
995 |
750 |
380 |
595 |
550 |
518 |
16-22 |
615 |
565 |
530 |
20-26 |
640 |
585 |
548 |
20-30 |
500 |
229 |
335 |
1058 |
750 |
380 |
645 |
600 |
568 |
20-22 |
670 |
620 |
582 |
20-26 |
715 |
650 |
609 |
20-33 |
600 |
267 |
390 |
1163 |
750 |
380 |
755 |
705 |
667 |
20-26 |
780 |
725 |
682 |
20-30 |
840 |
770 |
720 |
20-36 |
700 |
292 |
447.5 |
1283 |
750 |
380 |
860 |
810 |
772 |
24-26 |
895 |
840 |
794 |
24-30 |
910 |
840 |
794 |
24-36 |
800 |
318 |
507.5 |
1398 |
750 |
380 |
975 |
920 |
878 |
24-30 |
1015 |
950 |
901 |
24-33 |
1025 |
950 |
901 |
24-39 |
900 |
330 |
557.5 |
1498 |
1250 |
380 |
1075 |
1020 |
978 |
24-30 |
1115 |
1050 |
1001 |
28-33 |
1125 |
1050 |
1001 |
28-39 |
1000 |
410 |
615 |
1608 |
1500 |
580 |
1175 |
1120 |
1078 |
28-30 |
1230 |
1160 |
1112 |
28-36 |
1255 |
1170 |
1112 |
28-42 |
1200 |
470 |
727.5 |
1876 |
1500 |
580 |
1405 |
1340 |
1295 |
32-33 |
1455 |
1380 |
1328 |
32-39 |
1485 |
1390 |
1328 |
32-48 |

×¢£ºÒÔÉϵIJúÆ·ÏÈÈÝ£¬£¬£¬£¬£¬£¬£¬²ÎÊý£¬£¬£¬£¬£¬£¬£¬Í¼Æ¬£¬£¬£¬£¬£¬£¬£¬Êý¾Ý½öÓÃÓڲο¼£¬£¬£¬£¬£¬£¬£¬ÈôÊÇÐè¸ü׼ȷµÄ×ÊÁÏÇë×Éѯ¹«Ë¾ÊÖÒÕЧÀÍÈÈÏߣº18117208829




