
²úÆ·Ãû³Æ£ºD941X/Fµç¶¯·¨À¼Ê½µû·§
²úÆ·±êÇ©£ºµû·§,µç¶¯·¨À¼Ê½µû·§
¸üÐÂʱ¼ä£º2019/5/29 8:50:55
ÉÏÒ»¸ö²úÆ·£º D315W/FÃÀ±ê͹¶úµû·§
ÏÂÒ»¸ö²úÆ·£ºD942Xµç¶¯ÈíÃÜ·âµû·§
ÔÚÏ߿ͷþ£º
ÔÚÏß¶©¹º£ºÔÚÏß¶©¹º
²úÆ·ÏêÇé
¹«³ÆÍ¨¾¶ |
DN£¨mm£© |
50¡«800 |
||
¹«³ÆÑ¹Á¦ |
PN£¨MPa£© |
0.6 |
1.0 |
1.6 |
ÊÔÑéѹÁ¦ |
Ç¿¶ÈÊÔÑé |
0.9 |
1.5 |
2.4 |
ÃÜ·âÊÔÑé |
0.66 |
1.1 |
1.76 |
|
ÆøÃÜ·âÊÔÑé |
0.6 |
0.6 |
0.6 |
|
ÊÊÓýéÖÊ |
¿ÕÆø¡¢Ë®¡¢ÎÛË®¡¢ÕôÆø¡¢ÃºÆø¡¢ÓÍÆ·µÈ¡£¡£¡£¡£ |
|||
Çý¶¯ÐÎʽ |
ÊÖ¶¯¡¢ÎϸËÎÏÂÖ´«¶¯¡¢Æø´«¶¯¡¢µç´«¶¯¡£¡£¡£¡£ |
|||
Áã¼þÃû³Æ |
ÖÊÁÏ |
|||
·§Ìå |
ÇòÄ«ÖýÌú¡¢Öý¸Ö¡¢ºÏ½ð¸Ö¡¢²»Ðâ¸Ö |
|||
µû°å |
Öý¸Ö¡¢²»Ðâ¸Ö¼°ÌØÊâÖÊÁÏ |
|||
ÃÜ·âȦ |
ÖÖÖÖÏ𽺡¢¾ÛËÄ·ú |
|||
·§¸Ë |
2Cr13¡¢²»Ðâ¸Ö |
|||
ÌîÁÏ |
OÐÍȦ¡¢ÈáÐÔʯīO |
|||
ÖÊÁÏÆ·ÖÖ |
Âȶ¡Ï𽺠|
¶¡ÇçÏ𽺠|
ÒÒ±ûÏ𽺠|
¾ÛËÄ·úÒÒÏ© |
¹èÏ𽺠|
·úÏ𽺠|
×ÔÈ»Ï𽺠|
ÄáÁú |
Ó¢Óï¼ò³Æ |
CR |
NBR |
EPDM |
PTFE |
SI |
VITON |
NR |
PA |
ÐͺŴúºÅ |
X»òJ |
XA»òJA |
XB»òJB |
F»òXC¡¢JC |
XD»òJD |
XE»òJE |
X1 |
N |
ÄÍ×î¸ßÎÂ¶È |
82¡æ |
93¡æ |
150¡æ |
232¡æ |
250¡æ |
204¡æ |
85¡æ |
93¡æ |
ÄÍ×îµÍÎÂ¶È |
-40¡æ |
-40¡æ |
-40¡æ |
-268¡æ |
-70¡æ |
-23¡æ |
-20¡æ |
-73¡æ |
ÊÊÓÃÊÂÇéÎÂ¶È |
0~+80¡æ |
-20~+82¡æ |
-40~+125¡æ |
-30~+150¡æ |
-70~+150¡æ |
-23~+150¡æ |
-20~+85¡æ |
-30~+93¡æ |
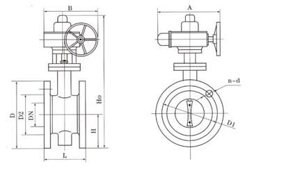
¹«³Æ mm |
³¤¶È |
ÐÎ×´³ß´ç |
ÅþÁ¬³ß´ç (±ê×¼Öµ) |
ÖØÁ¿ |
||||||||||||||
0.6MPa |
1.0MPa |
1.6MPa |
||||||||||||||||
L |
H |
H0 |
A |
B |
D |
D1 |
D2 |
n-d |
D |
D1 |
D2 |
n-d |
D |
D1 |
D2 |
n-d |
||
50 |
108 |
63 |
306 |
180 |
200 |
140 |
110 |
88 |
4-14 |
165 |
125 |
99 |
4-18 |
165 |
125 |
99 |
4-18 |
13 |
65 |
112 |
70 |
321 |
180 |
200 |
160 |
130 |
108 |
4-14 |
185 |
145 |
118 |
4-18 |
185 |
145 |
118 |
4-18 |
14 |
80 |
114 |
83 |
346 |
180 |
200 |
190 |
150 |
124 |
4-18 |
200 |
160 |
132 |
8-18 |
200 |
160 |
132 |
8-18 |
15.5 |
100 |
127 |
105 |
387 |
180 |
200 |
210 |
170 |
144 |
4-18 |
220 |
180 |
156 |
8-18 |
220 |
180 |
156 |
8-18 |
19.5 |
125 |
140 |
115 |
411 |
180 |
200 |
240 |
200 |
174 |
8-18 |
250 |
210 |
184 |
8-18 |
250 |
210 |
184 |
8-18 |
25.5 |
150 |
140 |
137 |
447 |
270 |
280 |
265 |
225 |
199 |
8-18 |
285 |
240 |
211 |
8-22 |
285 |
240 |
211 |
8-22 |
28.5 |
200 |
152 |
164 |
572 |
270 |
280 |
320 |
280 |
254 |
8-18 |
340 |
295 |
266 |
8-22 |
340 |
295 |
266 |
12-22 |
48 |
250 |
250 |
206 |
646 |
270 |
280 |
375 |
335 |
309 |
12-18 |
395 |
350 |
319 |
12-22 |
405 |
355 |
319 |
12-26 |
69 |
300 |
270 |
230 |
738 |
380 |
420 |
440 |
395 |
363 |
12-22 |
445 |
400 |
370 |
12-22 |
460 |
410 |
370 |
12-26 |
91 |
350 |
290 |
248 |
761 |
380 |
420 |
490 |
445 |
413 |
12-22 |
505 |
460 |
429 |
16-22 |
520 |
470 |
429 |
16-26 |
110 |
400 |
310 |
289 |
877 |
450 |
470 |
540 |
495 |
463 |
16-22 |
565 |
515 |
480 |
16-26 |
580 |
525 |
480 |
16-30 |
140 |
450 |
330 |
320 |
938 |
480 |
490 |
595 |
550 |
518 |
16-22 |
615 |
565 |
530 |
20-26 |
640 |
585 |
548 |
20-30 |
180 |
500 |
350 |
343 |
993 |
480 |
490 |
645 |
600 |
568 |
20-22 |
670 |
620 |
582 |
20-26 |
715 |
650 |
609 |
20-33 |
215 |
600 |
390 |
413 |
1131 |
480 |
490 |
755 |
705 |
667 |
20-26 |
780 |
725 |
682 |
20-30 |
840 |
770 |
720 |
20-36 |
290 |
700 |
430 |
478 |
1476 |
640 |
660 |
860 |
810 |
772 |
24-26 |
895 |
840 |
794 |
24-30 |
910 |
840 |
794 |
24-36 |
560 |
800 |
470 |
525 |
1533 |
640 |
660 |
975 |
920 |
878 |
24-30 |
1015 |
950 |
901 |
24-33 |
1025 |
950 |
901 |
24-39 |
910 |
900 |
510 |
585 |
1655 |
750 |
860 |
1075 |
1020 |
978 |
24-30 |
1115 |
1050 |
1001 |
28-33 |
1125 |
1050 |
1001 |
28-39 |
1500 |
1000 |
550 |
640 |
1765 |
850 |
900 |
1175 |
1120 |
1078 |
28-30 |
1230 |
1160 |
1112 |
28-36 |
1255 |
1170 |
1112 |
28-42 |
1750 |
1200 |
630 |
755 |
1995 |
850 |
900 |
1405 |
1340 |
1295 |
32-33 |
1455 |
1380 |
1328 |
32-39 |
1485 |
1390 |
1328 |
32-48 |
2180 |
1400 |
710 |
910 |
2310 |
1000 |
925 |
1630 |
1560 |
1510 |
36-36 |
1675 |
1590 |
1530 |
36-42 |
1685 |
1590 |
1530 |
36-48 |
2400 |
1600 |
790 |
1030 |
2595 |
1000 |
925 |
1830 |
1760 |
1710 |
40-36 |
1915 |
1820 |
1750 |
40-48 |
1930 |
1820 |
1750 |
40-56 |
2870 |
1800 |
870 |
1140 |
2810 |
1100 |
980 |
2045 |
1970 |
1918 |
44-39 |
2115 |
2020 |
1950 |
44-48 |
2130 |
2020 |
1950 |
44-56 |
3380 |
2000 |
950 |
1250 |
3100 |
1100 |
980 |
2265 |
2180 |
2125 |
48-42 |
2325 |
2230 |
2150 |
48-48 |
2345 |
2230 |
2150 |
48-62 |
4010 |
![]() |





