
产品名称:D671X气动对夹式蝶阀
产品标签:蝶阀,气动对夹式蝶阀
更新时间:2019/5/30 8:53:11
上一个产品: D672X气动对夹式软密封蝶阀
下一个产品:D941X/D971X电动软密封蝶阀
在线客服:
在线订购:在线订购
产品详情
零件名称 |
质料 |
阀体 |
灰铸铁、球墨铸铁、铸钢、不锈钢及特殊质料 |
蝶板 |
球墨铸铁、铸钢、不锈钢及合金钢 |
阀轴 |
2Cr13、不锈钢 |
密封圈 |
丁腈耐油橡胶、聚四氟乙烯 |
填料 |
O型圈、柔性石墨 |
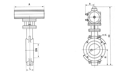
公称通径DN(mm) |
结构长度(mm) |
形状尺寸(mm) |
毗连尺寸(标准值) |
|||||||||
0.6MPa |
1.0MPa |
1.6MPa |
||||||||||
毫米 |
英寸 |
L |
H1 |
H0 |
A |
B |
D0 |
n-d |
D0 |
n-d |
D0 |
n-d |
50 |
2" |
43 |
63 |
315 |
180 |
65 |
110 |
4-14 |
125 |
4-18 |
125 |
4-18 |
65 |
2 1/2" |
46 |
70 |
330 |
180 |
65 |
130 |
4-14 |
145 |
4-18 |
145 |
4-18 |
80 |
3" |
46 |
83 |
390 |
245 |
72 |
150 |
4-18 |
160 |
8-18 |
160 |
8-18 |
100 |
4" |
52 |
105 |
431 |
240 |
72 |
170 |
4-18 |
180 |
8-18 |
180 |
8-18 |
125 |
5" |
56 |
115 |
455 |
240 |
72 |
200 |
8-18 |
210 |
8-18 |
210 |
8-18 |
150 |
6" |
56 |
137 |
626 |
350 |
93 |
225 |
8-18 |
240 |
8-22 |
240 |
8-22 |
200 |
8" |
60 |
164 |
720 |
350 |
93 |
280 |
8-18 |
295 |
8-22 |
295 |
12-22 |
250 |
10 |
68 |
206 |
800 |
550 |
350 |
335 |
12-18 |
350 |
12-22 |
355 |
12-26 |
300 |
12 |
78 |
230 |
860 |
600 |
350 |
395 |
12-22 |
400 |
12-22 |
410 |
12-26 |
350 |
14 |
78 |
248 |
883 |
600 |
350 |
445 |
12-22 |
460 |
16-22 |
470 |
16-26 |
400 |
16 |
102 |
89 |
972 |
600 |
350 |
495 |
16-22 |
515 |
16-26 |
525 |
16-30 |
450 |
18 |
114 |
320 |
1043 |
750 |
380 |
550 |
16-22 |
565 |
20-26 |
585 |
20-30 |
500 |
20 |
127 |
343 |
1098 |
750 |
380 |
600 |
20-22 |
620 |
20-26 |
650 |
20-33 |
600 |
24 |
154 |
413 |
1236 |
750 |
380 |
705 |
20-26 |
725 |
20-30 |
770 |
20-36 |
700 |
28 |
165 |
478 |
1431 |
750 |
380 |
810 |
24-26 |
840 |
24-30 |
840 |
24-36 |
800 |
32 |
190 |
25 |
1488 |
750 |
380 |
920 |
24-30 |
950 |
24-33 |
950 |
24-39 |
900 |
36 |
203 |
620 |
1615 |
1250 |
380 |
1020 |
24-30 |
1050 |
28-33 |
1050 |
28-39 |
1000 |
40 |
216 |
725 |
1795 |
1500 |
580 |
1120 |
28-30 |
1160 |
28-36 |
1170 |
28-42 |
1200 |
48 |
254 |
780 |
1976 |
1500 |
580 |
1340 |
32-33 |
1380 |
32-39 |
1390 |
32-48 |
![]() |





